СКБ-24
Описание
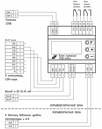
Блок питания СКБ-24 предназначен для питания стабилизированным напряжением постоянного тока 24В. измерительных преобразователей (типа Сапфир-22, УБ-ЭМ, СКБ-01, СКБ-02 и т.д.) по двухпроводной линии связи, несущей одновременно информацию об измеряемом параметре в виде стандартного токового сигнала 4-20мА.
Блок СКБ-24-А предназначен для использования в системах управления, контроля и регулирования технологическими процессами взрывобезопасных производств на объектах атомной энергетики (ОАЭ) и для поставок на экспорт.
Блок питания СКБ-24 позволяет преобразовывать информационный сигнал от преобразователя с уровнем 4-20 мА в уровень 0-5 мА. или в корнеизвлекающую характеристику.
Блок питания СКБ-24 имеет возможность визуального наблюдения, автоматического измерения, регистрации (архивации), преобразования унифицированного токового сигнала 4-20 мА в указанный диапазон температуры, давления или уровня и сигнализацию отклонения измеряемого параметра от двух (нижнего и верхнего) установленных предельных значений измеряемого параметра в виде световой индикации на передней панели и релейных выходных сигналов.
Блок питания взрывозащищенного исполнения СКБ-24Ех обеспечивают искробезопасность цепей электрического питания измерительных преобразователей и имеют входные искробезопасные цепи уровня «ia» с маркировкой взрывозащиты «[Exia]IIC» в соответствии с ГОСТ Р51330.0, ГОСТ Р51330.10.
Блок рассчитан для работы вне взрывоопасных зон помещений и наружных установок и выполнен в климатическом исполнении УХЛ 3.1.** по ГОСТ 15150, но для работы при температуре окружающего воздуха от минус 5 до плюс 50 °С и относительной влажности не более 98% при температуре 25 °С.
Измеренные величины, блок питания СКБ-24 сохраняет в энергонезависимом архиве (до 1,2 млн. измерений).
Блок питания СКБ-24 выполнен в корпусе для установки на DIN-рейку.
Технические характеристики
Напряжение питающей сети (220 +22/-33)В; (50±1)Гц
Потребляемая мощность не более, В·А 5
Входной сигнал постоянного тока, мА 4-20
Выходной унифицированный сигнал постоянного тока, мА 4-20 / 0-5
Сопротивление нагрузки в выходной цепи не более, кОм 1,0
Напряжение холостого хода встроенного источника постоянного тока на искробезопасном входе блока не более, В 24
Ток короткого замыкания встроенного источника постоянного тока на искробезопасном входе блока не более, мА 36
Параметры линии связи блоков с преобразователями:
- омическое сопротивление не более, Ом 20
- индуктивность не более, мГн 1
- емкость не более, мкФ 0,06
Предел допускаемой основной погрешности от диапазона выходного сигнала, % ±0,15
Возможности блока питания

В памяти архива БП СКБ-24 может храниться до 1 229 400 точек измерений. Каждая точка содержит значение тока, проценты, физ. параметр, дату и время измерения, состояние реле уставок. Интервал записи в архив задается от 0,25с до 300с. Это позволяет при самом коротком интервале 0,25с. запомнить данные за 85 часов. А при интервале записи раз в минуту – более 850 дней. Также в архиве фиксируется время включения – выключения блока питания, моменты изменения параметров записи. Архив можно сохранить на компьютере для последующей обработки.







