Описание
Разборные разделители сред РСМ-5319, 5320, 5321, 5322 применяется в системах автоматизации для исключения попадания рабочей среды во внутреннюю полость измерительного прибора. Например, когда рабочая среда содержит в себе крупные загрязняющие частицы, склонна к кристаллизации либо имеет агрессивные свойства.
- Аналоги советских разделителей серии РМ-5319,-5320,-5321,-5322
- Диапазон рабочих давлений -0,1…60 МПа
- Диапазон рабочих температур от -40 до +200ºС
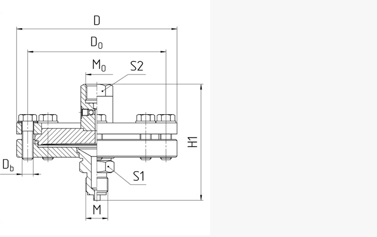
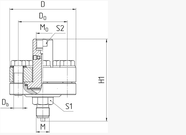
- Подключение к процессу
- резьбовое для РСМ-5319,-5321 (М20х1,5; G½; K½; ½NPT)
- фланцевое для РСМ-5320,-5322
ТУ 4212-001-59541470-2008
Технические характеристики
| № п.п | Параметры | РСМ-5319 | РСМ-5320 | РСМ-5321 | РСМ-5322 |
| 1 | Диапазон рабочих давлений, МПа | -0,1…6 | 0…60 | ||
| 2 | Минимальный верхний предел измерений, кПа | 60 | 1 000 | ||
| 3 | Диапазон рабочих температур, ºС | -40…+200 | |||
| 4 | Внутренний объем, см3 | 7,3 | 7,3 | 2,3 | 2,3 |
| 5 | Максимальный вытесняемый объем, см3 | 6,3 | 6,3 | 0,25 | 0,25 |







