ШКАФ УПРАВЛЕНИЯ ВОДОГРЕЙНЫМ КОТЛОМ ДКВР-20
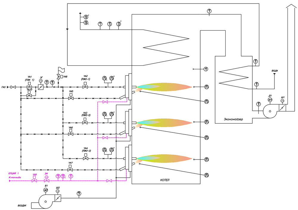
Предназначен для управления водогрейным котлом ДКВР-20 с неавтоматизированными горелками
Description
Описание
Описание
Модель: ШКА-01-В-Г-3-ДКВР-СПУ-15
Производитель: Контэл
Шкаф выполнен в базовой комплектации, с сенсорной панелью 15", в корпусе 1200х800х300.
Ручное управление оборудованием котла с сенсорной панели.
Шкаф производит опрессовку газовой линии, розжиг трех горелок, а также регулирование параметров котла (давление воздуха, разрежение в топке, температура воды).
Технические характеристики
| Параметры котла | |
| Модификация котла | ДКВР |
| Тип котла | водогрейный |
| Горелка | неавтоматизированная |
| Количество горелок | 3 |
| Параметры шкафа | |
| Исполнение | навесное |
| с сенсорной панелью | 15" |




