Гильзы сварные до 25 МПа
Предназначены для защиты измерительных приборов от таких типов воздействия рабочей среды
Description
ТУ 4212-001-62100924-2010
Описание
Гильзы защищают прибор от ненужной остановки, поэтому в некоторых системах без гильз обойтись нельзя. В данном случае речь идет о тех технологических системах, где под высоким давлением происходит измерение температуры сред.
Технические характеристики
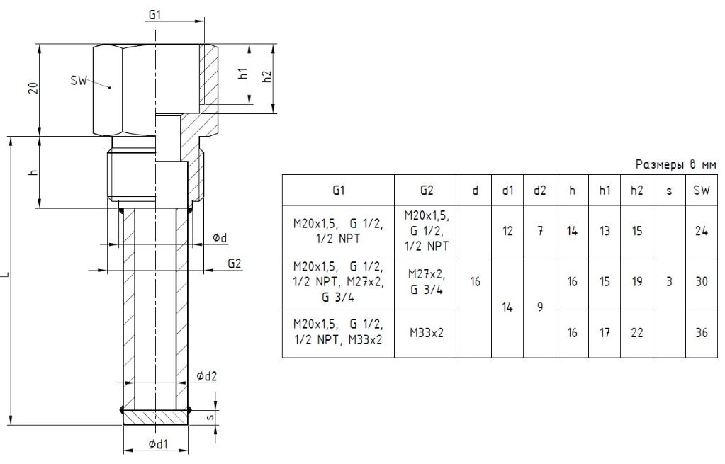
| Длина гильзы | от 50 до 800 мм |
| Материал | сталь нержавеющая: 12Х18Н10Т - стандартно, 03Х17Н13М2 (316L) - опция |
| Предельные давления | 25 МПа Типовые гильзы выдерживают нормируемое давление. При условиях динамических нагрузок необходимо производить соответствующие расчёты для правильного подбора технических параметров защитных гильз. |
| Резьба к прибору | G1/2 - стандартно, М20х1,5, G3/4, М27х2 - опция |
| Резьба к процессу | G1/2 - стандартно, М20х1,5, G3/4, М27х2, М33х2, 1/2NPT - опция |
| ОПЦИИ | • другие резьбы (по согласованию) • фторполимерное (на основе PTFE или PFA) антикоррозионное (30-40мкм) покрытие наружной погружаемой части гильзы • протокол гидравлических испытаний • расчёт прочности защитной гильзы по DIN43772 • спектральный анализ материалов • рентгенографический контроль сварных швов |
Технические характеристики
Чертеж

Пример заказа
Гильза защитная сварная для термометра (ГНТ-C), длиной 100мм (100), присоединительной резьбой к прибору М20х1,5 (М20х1,5), присоединительной резьбой к процессу G1/2 (G1/2):
Гильза ГНТ100-C-М20х1,5/G1/2

